GE监护仪怎么样生命支持类案例:GE CardioServ型除颤监护仪电源故障维修

新闻资讯2026-04-20 23:41:12

GE监护仪怎么样生命支持类案例:GE CardioServ型除颤监护仪电源故障维修_https://www.jmylbn.com_新闻资讯_第1张


在急救设备中,除颤监护仪是一类必不可少的医疗设备,在抢救患者时具有非常重要的作用,被广泛应用于急诊科、心脏内外科、监护室等。该设备由于不经常使用,导致设备缺乏保养和检查,关键时刻应用时出现故障,影响工作。我院急诊科购置了1台GE CardioServ型除颤监护仪,此除颤监护仪在功能上比较齐全、应用广泛


结构组成及工作原理

1.结构组成
除颤监护仪主要由蓄电池、放电部分、能量显示、控制系统及心电监护仪5个部分组成。其各个电路板功能框图如图所示。其中电源板上只有直流电源单独一组16.6V电压供给设备工作。

GE监护仪怎么样生命支持类案例:GE CardioServ型除颤监护仪电源故障维修_https://www.jmylbn.com_新闻资讯_第2张

2.工作原理
示屏/按键用来显示能量和功能调节;ECU主控制板起到控制能量输出的作用;高压控制板包含心电功能采集处理部分,由高压控制驱动输出,输出后连接放电手柄。在工作中把电源板供给的16.6V电压或电池电压经过升压逆变为上千伏电压储存于大电容器中,最后通过高压控制板输出控制到手柄,再到人体放电

电源故障

1.故障现象

GE CardioServ型除颤监护仪接上交流电源后没有任何反应,交流指示灯也不亮。单独使用电池供电时设备可以正常工作,但是电池使用不久就没有电量

2.故障分析与排除

根据GE CardioServ型除颤监护仪的工作原理,首先可以明确设备使用电池时基本可以工作,说明设备的大体功能、电路基本正常,而设备的交流指示灯不亮,说明故障可能出在电源供电或设备主板上

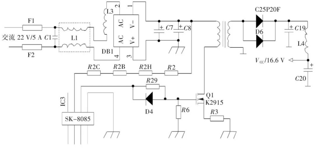
拆卸设备,测量电源板16.6V输出电压为0.5V,初步判断故障出在除颤监护仪电源板上。查看电源板到主板的连接排线及供电电路端,发现只有一个16.6V电压供给,没有一般反馈电路和负载检测电路,工作正常后又启动工作电压端子,其属于独立的电源板。根据电源板上的元件和连接电路绘制基本工作电路图,如图所示

GE监护仪怎么样生命支持类案例:GE CardioServ型除颤监护仪电源故障维修_https://www.jmylbn.com_新闻资讯_第3张

根据电路,检查F1、F22个5A熔断丝正常,测量DB1整流桥也正常,接着查看C7、C8、R2、R2H、R2B、R2C元件后也未发现故障,接着查看开关管驱动电路即Q1驱动,R29、R6、R3也没有开路。

拆卸电源板,单独给电源板加上220V交流电压,测量C7、C8电容端子上电压+300V正常,测量电源模块SK-80857脚也有供电电压,而测量电阻R6上没有电压。怀疑电源模块损坏,将其拆卸更换后故障依旧。怀疑电源模块外围电路不正常,一一排查没有发现问题。测量开关变压器的次级线圈两端电压,发现有交流11V的电压,判断电源初级电路工作正常。怀疑故障出在变压器的次级。次级电路只有二极管C25P20F整流C19滤波,怀疑C19滤波失效。更换滤波后,测量电源输出电压16.6V正常。重新把修好的电源板安装上开机试验,故障依旧。

再次测量输出电压为0.5V,没有16.6V输出电压。怀疑是负载的问题,将其负载断开测量输出电压16.6V又恢复正常。后来经过分析发现故障为电源板输出电压带不起负载。最后怀疑电源板变压器次级整流二极管损坏。更换同型号的元件,开机试验,故障排除。排除故障后,发现C25P20F单独测量还是好的,正反向阻值也正常,但是一通电就损坏,说明该故障是由于C25P20F整流二极管性能不良引起的。


小结

急救设备需要经常维修保养,不用时要定期开机检查工作是否正常,出现故障及时维修。开关电源电路中的高频整流和高频续流二极管往往最容易损坏,出现类似C25P20F这种软故障导致电路工作异常是很难找到故障部位的,只有不断积累维修经验,用电压测试维修法才能找到故障具体部位。这种故障虽然难以排查,但是维修花费比较小,可以节约维修成本。

【文章来源】网络

 【声明】部分文章和信息来源于互联网,不代表本订阅号赞同其观点和对其真实性负责。如转载内容涉及版权等问题,请立即与我们联系,我们将迅速采取适当措施。
GE监护仪怎么样生命支持类案例:GE CardioServ型除颤监护仪电源故障维修_https://www.jmylbn.com_新闻资讯_第4张