为什么要加热输血科普|输血传播病原体的灭活技术 1

新闻资讯2026-04-17 14:02:07


为什么要加热输血科普|输血传播病原体的灭活技术 1_https://www.jmylbn.com_新闻资讯_第1张

什么是病原体灭活技术?

     利用物理、化学、光化学等多种手段去除血液成分及制品中的病原体(病毒、细菌、寄生虫 等)或使其失去活性。

为什么要加热输血科普|输血传播病原体的灭活技术 1_https://www.jmylbn.com_新闻资讯_第2张

01

病原体灭活的目标

为什么要加热输血科普|输血传播病原体的灭活技术 1_https://www.jmylbn.com_新闻资讯_第3张
为什么要加热输血科普|输血传播病原体的灭活技术 1_https://www.jmylbn.com_新闻资讯_第4张

采用尽可能敏感的筛查技术,诸如巴斯德液态加热法、有机溶剂/去污剂( S/D) 法、纳米过滤法等技术,去除血液制品中可能残存的病原体。


02

为什么我们需要病原体灭活技术?

为什么要加热输血科普|输血传播病原体的灭活技术 1_https://www.jmylbn.com_新闻资讯_第3张

1.目前病原体检测存在窗口期:

即使采用核酸检测技术( NAT) ,仍存在HIV感染 < 9 d处于NAT“窗口期”的献血者所捐献的血液传播HIV的报道[1]。在HBV高流行地区,对HBV隐匿性感染( OBI) 者的筛查一直是技术难点。对于HBV DNA载量 < 20 IU/m L的OBI携带者,即使采用灵敏度为5 IU/m L的最先进的NAT血液筛查方法,由于低病毒载量血液标本中病毒颗粒Poisson分布的特点,也很难100% 检出[2]

2.血液在处理过程中存在的风险

如血小板常规保存温度为20-24℃,适宜细菌生长,且最长保存期仅5天,然而目前针对血小板制品细菌污染的培养法虽然灵敏度较高,但培养周期却相对较长,一些兼性厌氧菌等生长速度较慢的细菌,往往培养到第5天或第7天才能出最终报告,而此时血小板制品可能已经被临床使用。这意味着由于筛查策略的缺陷,受血者有可能使用的是被细菌污染的血小板制品,这不仅影响输注效果,而且还可能引起受血者出现细菌性感染,甚至引发菌血症和脓毒血症。

可能存在的未纳入筛查策略的病原体能够通过输血传播的病原体种类繁多,除常见的多种病毒以外,细菌、螺旋体、原虫等都能引起输血后相关感染。

为什么要加热输血科普|输血传播病原体的灭活技术 1_https://www.jmylbn.com_新闻资讯_第6张


3. 血液病原体灭活对血液安全的意义

病原体灭活技术能有效降低病原体检测范围局限、新发病原体、细菌污染存在以及检测窗口期所致的风险,进一步保障血液安全,降低感染性输血风险。


为什么要加热输血科普|输血传播病原体的灭活技术 1_https://www.jmylbn.com_新闻资讯_第7张

03

血液制品的主要灭活方法小结

为什么要加热输血科普|输血传播病原体的灭活技术 1_https://www.jmylbn.com_新闻资讯_第3张

1.加热灭活法 (Heat treatment)

巴氏灭菌法(Pasteurization):在溶液中加热蛋白质的过程,通常温度为60℃。 

湿热法(vapour treatment):冷冻干燥后加热蛋白质,然后在60℃(有时80℃)时重新引入水分的过程。

干热法(dry heat):冷冻干燥后加热蛋白质的过程,通常在80℃或更高的温度下。

应用范围:凝血因子等血液蛋白制品。血浆来源的血液制品主要包括:8因子、9因子、白蛋白、静注免疫球蛋白、抗凝血酶Ⅲ、ɑ1蛋白酶抑制剂。

几种加热灭活方法的特点


_

优点

需要考虑

的要点

需记录的

相关指标

巴氏灭菌法

灭活包膜病毒和一些非包膜病毒,包括甲型肝炎病毒;

设备相对比较简单

蛋白质稳定剂也可以保护病毒;

乙肝病毒是相对热稳定的;

需要工艺验证

温度

温度均匀性

持续时间

稳定剂浓度

干热法

灭活包膜病毒和一些非包膜病毒,包括甲型肝炎病毒;

对最终容器进行处理

为了消除肝炎病毒,通常至少需要80度;

不能灭活细小病毒B19;

要求严格控制湿度;

冷冻和冻干条件需要广泛的验证

冰冻周期

冻干周期

温度均匀性

残留的水分

湿热法

灭活包膜病毒和一些非包膜病毒,包括甲型肝炎病毒

不能灭活细小病毒B19;

冷冻和冻干条件需要广泛的验证;

过程相对复杂

冰冻周期

最初的冻干周期

温度均匀性

加热之前及之后的湿度

2.溶剂/去污剂灭活法 (Solvent/detergent)

1985年,美国FDA批准了S/D法用于灭活抗血友病因子(AHF)制品

欧洲使用S/D法已有成熟的商业产品:Octaplas

可灭活的病原体:脂包膜病毒(HIV、HBV、HCV等);对无包膜病毒HAV和human parvovirus B19无灭活作用。

应用范围:凝血因子、免疫球蛋白等汇集血浆。

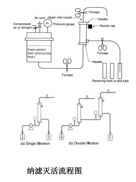
3.纳滤(Nanofilters)

利用纳米膜微小的孔径,使血液制品通过纳米膜时过滤掉病原体

纳米膜孔径:15-40nm

可灭活多种病原体,包括脂包膜病毒、阮病毒。

为什么要加热输血科普|输血传播病原体的灭活技术 1_https://www.jmylbn.com_新闻资讯_第9张


04

血液制品的主要灭活方法小结

为什么要加热输血科普|输血传播病原体的灭活技术 1_https://www.jmylbn.com_新闻资讯_第3张

血液制品的病原体灭活技术已较为成熟,并广泛应用。

1.物理:加热,纳滤;-化学:S/D

2.在现代的血液制品生产工艺中,通常设计2种及以上病原体灭活步骤,以保障制品的安全。

3.在美国1985年批准血液制品病原体灭活工艺后,未有经血液制品传播HIV、HBV、HCV的报道。


参考文献:

[1] CDC.HIV transmission through transfusion—Missouri and Colorado,2008.MMWR,2010,59(41):1335-1339.

[2] 陈镇周,肖明星,陈湘屏,等.亚甲蓝光化学法病毒去除对血浆质量的影响.中国输血杂志,2011,24( 6) : 490-492.

为什么要加热输血科普|输血传播病原体的灭活技术 1_https://www.jmylbn.com_新闻资讯_第11张

图文:任   

编辑:屈   琼

二审:王凯敏

三审:葛   峰


献血服务电话

献血服务:0760-85119397

团体献血:0760-88387472

单采预约电话:18923322238


期待您的投稿

投稿邮箱:gdsp_zwfwzx@163.com


精彩视频等您关注

为什么要加热输血科普|输血传播病原体的灭活技术 1_https://www.jmylbn.com_新闻资讯_第12张