CT球馆为什么叫球管CT球管参数深度解读

新闻资讯2026-04-17 12:22:47

本文以GE系列中某型号球管为例进行CT球管的参数分析。


外观图


外观图如下:

 

CT球馆为什么叫球管CT球管参数深度解读_https://www.jmylbn.com_新闻资讯_第1张




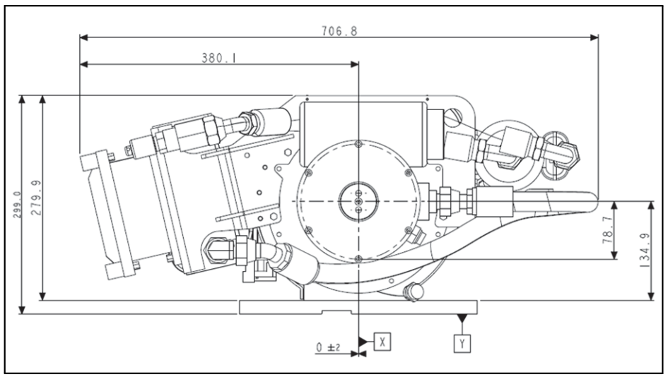
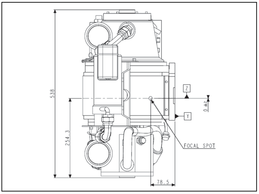
尺寸图


尺寸 - 前视图

 

CT球馆为什么叫球管CT球管参数深度解读_https://www.jmylbn.com_新闻资讯_第2张


尺寸 - 侧视图

 

CT球馆为什么叫球管CT球管参数深度解读_https://www.jmylbn.com_新闻资讯_第3张




参数表


总重量:68.5kg

管芯结构:玻璃管芯

 

标称电压:140kV

过电压限值 154kV至少经过 1 分钟 8mA 的测试此电压为最大运行电压的 110%

 

旋阳靶面直径:165mm

旋阳靶面材料:焦点轨道为钨-铼,基片为石墨衬底的钼合金

旋阳靶角:

阳极转速:8400±300RPM(140±5Hz)

阳极连续输入功率:2.7kW

旋阳控制电压:250VAC± 10%频率从0Hz到140Hz

旋阳加速时间:8秒

 

阳极最大热容量:3.5MHU

X线管组件热容量:6.98MHU

阳极功率:大焦点42kW,小焦点24kW

标称连续输入功率 (也称为最大连续热耗散) 3.2kW。其中包括:阳极连续输入功率2.7kW、泵和风扇 342W、定子 154W、灯丝 29W。

 

焦点尺寸:大焦点(1.1*1.0)、小焦点(0.8*0.5)

 

距离焦点1米的辐射野尺寸:X-Y平面中扇形角为56.8°,Z方向波束宽度为20mm

 

CT球馆为什么叫球管CT球管参数深度解读_https://www.jmylbn.com_新闻资讯_第4张


CT球馆为什么叫球管CT球管参数深度解读_https://www.jmylbn.com_新闻资讯_第5张

CT球馆为什么叫球管CT球管参数深度解读_https://www.jmylbn.com_新闻资讯_第6张

 



发热与冷却曲线


X射线管阳极发热曲线

 

CT球馆为什么叫球管CT球管参数深度解读_https://www.jmylbn.com_新闻资讯_第7张


X射线管阳极冷却曲线

 

CT球馆为什么叫球管CT球管参数深度解读_https://www.jmylbn.com_新闻资讯_第8张


发热和冷却曲线 (基于阳极输入功率)

 

CT球馆为什么叫球管CT球管参数深度解读_https://www.jmylbn.com_新闻资讯_第9张


冷却方式和功率要求


绝缘油电路冷却医用诊断 X 射线管组件的方法是,在热交换器内让油循环流动以进行油冷却。

医用诊断 X射线管组件配备有由CT系统供电的冷却泵和风扇。泵和风扇的运行电压为 115VAC± 10%,交流电频率可为 50Hz 和 60Hz。




焦点功率曲线


单次曝光照相额定的阳极最大输入功率:焦点功率曲线(初始最大存储为143 kJ)

 

CT球馆为什么叫球管CT球管参数深度解读_https://www.jmylbn.com_新闻资讯_第10张




 负载定额


初始阳极热容量为 143kJ 的单个负载定额由系统软件控制,且受到阳极负载或灯丝发射的限制

 

CT球馆为什么叫球管CT球管参数深度解读_https://www.jmylbn.com_新闻资讯_第11张


串行负载定额 (10分钟曝光间隔延迟)

 

CT球馆为什么叫球管CT球管参数深度解读_https://www.jmylbn.com_新闻资讯_第12张


所示的串行负载定额应用由系统软件控制,且适用于在初始阳极热容量为143kJ的单次曝光 10分钟后的重复曝光。




阴极发射曲线


阴极发射曲线:大焦点


CT球馆为什么叫球管CT球管参数深度解读_https://www.jmylbn.com_新闻资讯_第13张

 

阴极发射曲线:小焦点


CT球馆为什么叫球管CT球管参数深度解读_https://www.jmylbn.com_新闻资讯_第14张

 



灯丝 V-I 特性


灯丝 V-I 特性曲线图

 

CT球馆为什么叫球管CT球管参数深度解读_https://www.jmylbn.com_新闻资讯_第15张


灯丝 V-I 特性大灯丝和小灯丝的电压限制和最大电流

 

CT球馆为什么叫球管CT球管参数深度解读_https://www.jmylbn.com_新闻资讯_第16张




压力和温度开关


压力和温度开关的性能规格:


• 管温度开关:76.7± 2.8 ºC, 24VDC, 2 针母头莫仕连接器


• 压力开关:5± 2 PSI,24VDC, 2 针公头莫仕连接器

 



电磁辐射

 

CT球馆为什么叫球管CT球管参数深度解读_https://www.jmylbn.com_新闻资讯_第17张




电磁抗扰度


电磁抗扰度 1

 

CT球馆为什么叫球管CT球管参数深度解读_https://www.jmylbn.com_新闻资讯_第18张


电磁抗扰度 2

 

CT球馆为什么叫球管CT球管参数深度解读_https://www.jmylbn.com_新闻资讯_第19张




建议的安全距离

 

CT球馆为什么叫球管CT球管参数深度解读_https://www.jmylbn.com_新闻资讯_第20张