日立生化分析仪怎么样突发!罗氏、日立、贝克曼等多家IVD产品召回!

新闻资讯2026-04-21 15:34:39

日立生化分析仪怎么样突发!罗氏、日立、贝克曼等多家IVD产品召回!_https://www.jmylbn.com_新闻资讯_第1张

来源:上海市药监局官网、FDA官网、江苏省药品监督管理局网站 本文为体外诊断网原创整理,24小时后先留言申请后方可转载,并需完整标注来源和作者,否则严究!

突发!罗氏、日立、贝克曼、捷门生物等多家IVD产品召回!


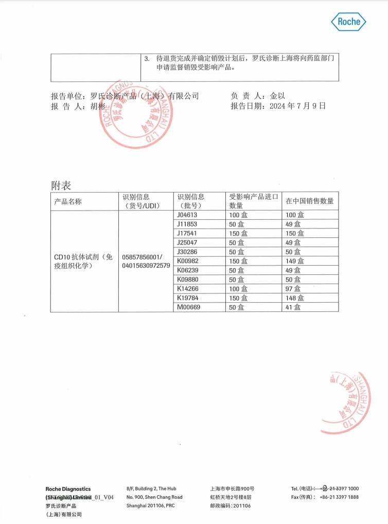
罗氏二级召回


近日,上海市药监局官网更新一则医疗器械产品主动召回信息。


据罗氏诊断产品(上海)有限公司报告,罗氏诊断总部收到特定批次的CD10抗体试剂(免疫组织化学)出现高背景和非特异性染色的投诉。通过调查发现,该问题在使用说明书推荐的OptiView DAB IHC和UltraView Universal DAB检测方案时,可能会干扰切片解读。


因此,生产企业文塔纳医疗系统公司对其生产的CD10抗体试剂(免疫组织化学)(注册证号:国械备20180260号)主动召回。召回级别为二级。涉及产品的型号、规格及批次等详细信息见下表。


日立生化分析仪怎么样突发!罗氏、日立、贝克曼等多家IVD产品召回!_https://www.jmylbn.com_新闻资讯_第2张

日立生化分析仪怎么样突发!罗氏、日立、贝克曼等多家IVD产品召回!_https://www.jmylbn.com_新闻资讯_第3张

日立三级召回


日立生化分析仪怎么样突发!罗氏、日立、贝克曼等多家IVD产品召回!_https://www.jmylbn.com_新闻资讯_第4张


日立仪器(苏州)有限公司报告,由于信息系统通信问题,在特定条件下,测定的分析项目测定值以外的数据会被附加发送,该企业对其生产的对全自动生化分析仪、全自动生化分析系统主动召回。召回级别为三级。涉及产品的型号、规格及批次等详细信息见《医疗器械召回事件报告表》。


日立生化分析仪怎么样突发!罗氏、日立、贝克曼等多家IVD产品召回!_https://www.jmylbn.com_新闻资讯_第5张

日立生化分析仪怎么样突发!罗氏、日立、贝克曼等多家IVD产品召回!_https://www.jmylbn.com_新闻资讯_第6张




日立生化分析仪怎么样突发!罗氏、日立、贝克曼等多家IVD产品召回!_https://www.jmylbn.com_新闻资讯_第7张


日立诊断产品(上海)有限公司报告,接生产企业通知由于涉及产品因有报告称,在与临床检验信息系统(LIS)通信,且在特定条件下,被要求测定的分析项目测定值以外的数据也被附加并发送。目前为止,尚未收到因该不良事件而引发健康损害的报告。日本株式会社日立高新技术对其生产的全自动生化分析仪;全自动生化分析系统;全自动生化分析仪;全自动生化分析仪(注册证号:国械注进20192220080;国械注进20192220078;国械注进20172221042;国械注进20212220501)主动召回。召回级别为三级。涉及产品的型号、规格及批次等详细信息见《医疗器械召回事件报告表》。

日立生化分析仪怎么样突发!罗氏、日立、贝克曼等多家IVD产品召回!_https://www.jmylbn.com_新闻资讯_第8张

日立生化分析仪怎么样突发!罗氏、日立、贝克曼等多家IVD产品召回!_https://www.jmylbn.com_新闻资讯_第9张


飞利浦一级召回


近日,FDA发布一级召回(最高级别召回通知),涉及飞利浦伟康公司多款呼吸机,包括BiPAP V30、A30和A40三个型号,适用于阻塞性睡眠呼吸暂停患者,可供家庭使用。



日立生化分析仪怎么样突发!罗氏、日立、贝克曼等多家IVD产品召回!_https://www.jmylbn.com_新闻资讯_第10张


此次召回是由于呼吸机的故障报警装置失效,这可能造成治疗中断或终止,并可能导致脆弱患者出现低通气、低氧血症、高碳酸血症、呼吸衰竭或死亡。


截至7月10日,FDA确认,该故障已造成7人死亡,10人受伤。


贝克曼三级召回



日立生化分析仪怎么样突发!罗氏、日立、贝克曼等多家IVD产品召回!_https://www.jmylbn.com_新闻资讯_第11张


贝克曼库尔特实验系统(苏州)有限公司报告,由于碱性磷酸酶测定试剂盒的R1溶液可能出现沉淀,不符合产品技术要求中外观的标准,该企业对碱性磷酸酶测定试剂盒(NPP底物-AMP缓冲液法)主动召回。召回级别为三级。涉及产品的型号、规格及批次等详细信息见《医疗器械召回事件报告表》。


日立生化分析仪怎么样突发!罗氏、日立、贝克曼等多家IVD产品召回!_https://www.jmylbn.com_新闻资讯_第12张

日立生化分析仪怎么样突发!罗氏、日立、贝克曼等多家IVD产品召回!_https://www.jmylbn.com_新闻资讯_第13张


捷门生物三级召回



日立生化分析仪怎么样突发!罗氏、日立、贝克曼等多家IVD产品召回!_https://www.jmylbn.com_新闻资讯_第14张


上海捷门生物技术有限公司报告,涉及产品配套校准品定标吸光度不稳定,导致检测准确度和线性范围,结果发生偏差,校准品主要搭配试剂盒使用,故针对以上批次试剂盒和校准品做不合格召回处理。上海捷门生物技术有限公司对其生产的肌酐测定试剂盒(氧化酶法)(注册证号:沪械注准20212400437)主动召回。召回级别为三级。涉及产品的型号、规格及批次等详细信息见《医疗器械召回事件报告表》。


日立生化分析仪怎么样突发!罗氏、日立、贝克曼等多家IVD产品召回!_https://www.jmylbn.com_新闻资讯_第15张

为了方便体外诊断网的读者粉丝朋友们沟通交流,我们特成立体外诊断网全国第139群!欢迎大家扫描下方二维码,入群踊跃发言!

日立生化分析仪怎么样突发!罗氏、日立、贝克曼等多家IVD产品召回!_https://www.jmylbn.com_新闻资讯_第16张

声明:本文仅用于分享,不代表平台立场,如涉及版权等问题,请尽快联系我们,我们第一时间更正,谢谢!
↑上下滑动预约全部直播↓





热点视频推荐


日立生化分析仪怎么样突发!罗氏、日立、贝克曼等多家IVD产品召回!_https://www.jmylbn.com_新闻资讯_第17张

日立生化分析仪怎么样突发!罗氏、日立、贝克曼等多家IVD产品召回!_https://www.jmylbn.com_新闻资讯_第18张