相控阵探头是什么探头AWS D1.1标准中焊缝相控阵超声检测要求的解读

新闻资讯2026-04-24 06:07:52
相控阵探头是什么探头AWS D1.1标准中焊缝相控阵超声检测要求的解读_https://www.jmylbn.com_新闻资讯_第1张



美国焊接学会

(American Welding Society,AWS)

成立于1919年

是一个非营利性组织

致力于推动焊接技术发展及行业进步


相控阵探头是什么探头AWS D1.1标准中焊缝相控阵超声检测要求的解读_https://www.jmylbn.com_新闻资讯_第2张




该学会工作涉及的领域广泛,包括钎焊、焊接和热喷涂等,涉及机械、造船、石油管道、压力容器、轨道交通、军用武器乃至家居日用品等的制造。AWS还主导制定了很多法规、规范、推荐指南,出版了300多本焊接行业的技术书籍。


早在1928年,美国焊接协会就编制出版了 《建筑结构熔焊和气割规范》。1936年,出版了 《公路和铁路桥梁焊接规范》。1972年,《建筑结构熔焊和气割规范》与 《公路和铁路桥梁焊接规范》合并,被命名为AWS D1.1《钢结构焊接规范》。


AWS D1.1中相控阵检测的相关内容

20世纪80年代,相控阵技术开始应用于工业检测,21世纪初随着数字电子和数字信号处理技术的发展,相控阵技术的发展尤为迅速。


2008年,AWS出版的AWS D1.1第21版在第6章G部分《其他检测方法》中首次提出了高级超声系统,将其作为常规检测的替代。高级超声系统包括但不局限于多探头、多通道系统、自动检测、衍射时差技术和相控阵技术等。规范中提出了规程编制中所需的重要变量要求、规程鉴定要求和人员要求,但是只提供了一个框架,未具体规定相控阵检测如何实施,也未明确检测重要变量的要求。


AWS D1.1在2010年和2015年进行了两次升版,仍未对相控阵检测提出更多的具体要求。


2020年,AWS出版了AWS D1.1第24版。该版标准在正文焊缝超声检测部分正式提出相控阵检测可作为常规超声检测的一种替代,在规范性附录H中给出了相控阵检测的具体要求,在其条文说明中也提到相控阵检测可以替代射线检测。


相控阵探头是什么探头AWS D1.1标准中焊缝相控阵超声检测要求的解读_https://www.jmylbn.com_新闻资讯_第2张

焊缝相控阵检测要求的解读

1

适用范围

AWS D1.1标准适用于板厚不小于3mm,屈服强度不大于690MPa的碳钢或低合金钢的制造及安装过程的检测。


对相控阵检测而言,AWS D1.1允许的检测厚度为5~200mm。相控阵检测除需符合AWS D1.1规范性附录H的要求外,还需符合AWS D1.1正文超声检测部分相应的强制性要求。其附录H中介绍了使用相控阵检测时应适用的强制性要求,并提出替代的技术需要提供书面规程以及相控阵检测特有的校准方法,同时要求高级人员应经过培训和资格鉴定。

2

人员要求

检测人员的要求是每个检测技术标准的基本要求。AWS D1.1要求实施相控阵检测数据采集和数据分析的二级和三级人员应根据美国无损检测学会无损检测人员资格鉴定和认证的要求进行认可。


基于AWS D1.1的检测要求,人员实践考试至少应包括2个有缺陷的试样。这些试样应代表要检测的接头类型,每个试样至少包含2个缺陷。此外,相控阵检测人员应至少有320h相控阵检测实践工作时间的经验记录。不符合上述要求的个人,可以在经鉴定合格的相控阵检测人员的直接监督下,协助采集相控阵检测数据。

3

设备要求

01

仪器要求

应使用符合AWS D1.1要求的超声脉冲回波相控阵检测仪器进行检测。


相控阵检测超声仪器应至少配备16个脉冲发生器和16个通道。如果要使用电子扫描,仪器的脉冲发生器数最低要求为16个,最低通道数为64个。仪器应配备足够的显示选项,包括A扫描、B扫描、C扫描和S扫描视图,以及能提供整个扫查长度和所有波束完整数据分析的编码扫查。

02

探头要求

相控阵检测探头类型应是线性阵列探头,至少有16个晶片,频率范围至少在1~6MHz之间。相控阵检测用斜探头应由换能器和楔块组成,以产生所需的折射角。角度楔块应具有足够的入射角,可在材料中产生40°~70°之间的横波,楔块应在制造商指定的角度范围内使用。

03

试块要求

用于建立标准灵敏度水平(SSL)的标准反射体是IIW试块上直径为1.5mm的横孔。调试使用的标准试块温度与被测工件温度差在±14℃以内。


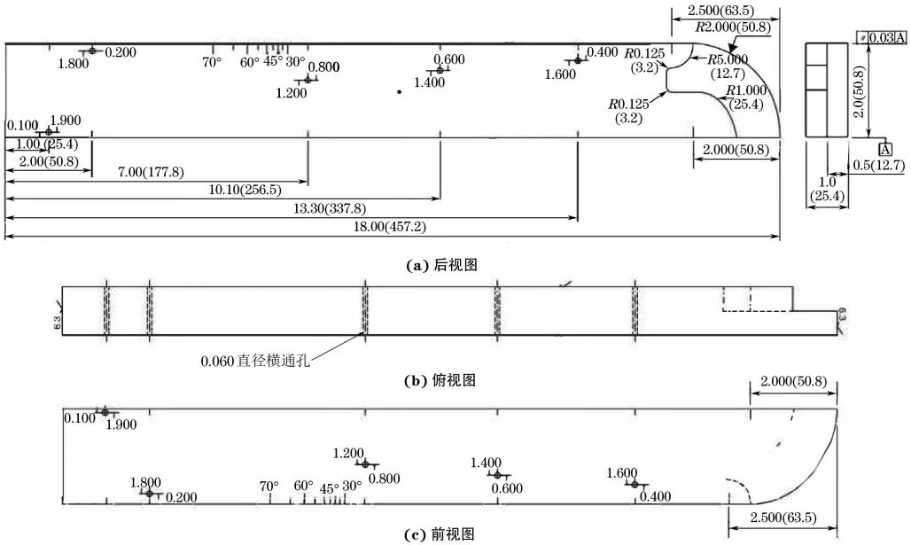
除标准试块外,还应使用一个补充参考试块。对所有设置的角度,在扫查计划指定的范围内,该参考试块应至少有3个点来建立时间增益修正曲线(TCG)。该试块应由碳钢制成,并具有足够的厚度和长度,以便设置校准反射体。每个参考试块应在一定深度范围内至少有3个横孔,以覆盖待测材料的整个范围。每个孔应由根据扫查计划配置的相控阵检测系统来检测,灵敏度应视需要进行调整,以提供不小于标准灵敏度水平的灵敏度。该试块的结构示例见图1(图中括号内的数值单位为mm,括号外的数值单位为in.,1in.=25.4mm),但任何符合要求的试块都可以使用,包括定制的人工对比试块。

相控阵探头是什么探头AWS D1.1标准中焊缝相控阵超声检测要求的解读_https://www.jmylbn.com_新闻资讯_第4张

图1 补充参考试块结构示例


当材料厚度超过50mm或工程师要求时,以及在相控阵检测人员的选择下,应在模拟试块或产品工件上验证标准反射体1.5mm横孔的可探性。当使用焊缝模拟试块和产品焊缝部分时,反射体应位于声束难以到达的位置,从而确保检测到所有关注区域的不连续。模拟反射体应放置在距离熔合面边缘至少1.5mm处。标准灵敏度反射体在模拟试块或产品部件中的位置示例如图2所示。

相控阵探头是什么探头AWS D1.1标准中焊缝相控阵超声检测要求的解读_https://www.jmylbn.com_新闻资讯_第5张

图2 标准反射体在焊缝模拟试块中的位置示例


当使用此验证块检测标准灵敏度反射体时,其波幅应高于忽略水平DRL(SSL-6dB)。如果以DRL为基准实施检测,无法检测到标准反射体时,则应调整扫查计划,直到获得足够的可探性为止。

04

其他配件要求

编码器通常采用数字编码器,并能进行沿线扫查。应使用半自动或自动扫查架进行编码扫查。


在探头和检测材料之间应使用耦合材料,以保证透声性。在进行校准和检测时,可以使用任何商用耦合剂、水或油等,但是校准和检测时必须使用相同的耦合剂。

05

设备鉴定要求

设备鉴定要求包含了系统线性验证、内反射、分辨率要求和探头晶片核查等4方面内容。


系统线性验证包括了时基线性(水平线性)、屏高线性和波幅控制线性的验证。在标准中给出了详细的验证过程和验收要求。以最多不超过12个月的时间间隔进行系统线性验证并记录在表格中。验证应由相控阵检测二级或三级人员执行,或送交设备制造商进行。


每个探头的最大内反射应由相控阵检测人员在仪器与探头初始组合、仪器使用最大时间间隔40h内验证,按照AWS D1.1中第8.28.3条要求进行核查并记录。


探头和仪器组合的分辨率检测应根据AWS D1.1中第8.22.3条的要求,使用RC分辨率试块上的三个横孔进行核查并记录。


在初始校准、使用之前以及每周,相控阵检测人员应对每个探头进行一次晶片核查,以确定是否存在失效(不活动)晶片或有缺陷的晶片。晶片核查应使用仪器自动验证功能或手动扫描每个晶片,将探头放在IIW试块或任何参考试块的一侧,观察后壁信号。在给定的孔径内不应超过10%的晶片失效以及不应有相邻晶片的失效。这一核查也应在每8h的使用期间进行。此外,探头内每个晶片都应进行评估,以核查整个孔径是否有可比的波幅响应。整个孔径内每个晶片的波幅应在平均响应±6dB以内,否则该晶片失效。

4

扫查计划

扫查计划设置是指为要检测的焊缝制定扫查计划,是相控阵检测中最重要的步骤。扫查计划应提供实现检测覆盖所需的特定特征,包括那些在通用规程中未涉及的受被检材料和结构几何形状变化影响的变量。扫查计划内容应考虑以下重要变量

  • 聚焦法则使用的晶片数量;

  • 扇扫描的角度范围;

  • 制造商文件记录的允许的楔块角度范围;

  • 被检焊缝布局,包括厚度尺寸和母材产品形式(管,板等);

  • 沿步进轴的表面弯曲(如管件的纵缝);

  • 进行检测的表面(如上表面,底面);

  • 技术(纵波、横波、接触法);

  • 探头类型、频率、晶片尺寸和形状;

  • 相控阵检测仪器类型、制造商和型号包括采集软件;

  • 手动/自动/半自动扫查;

  • 区分几何形状和焊缝缺陷指示的方法;

  • 扫查重叠区域的减少;

  • 如果不是机载设备算法,应明确产生聚焦/延迟法则的方法,包括指定的软件版本;

  • 采集或分析软件;

  • 探头制造商和型号;

  • 任何扫查速度的增加;

  • 使用未在AWS D1.1第8.25.4条中列出的耦合剂;

  • 计算机增强数据分析。

当材料厚度超过50mm或工程师要求时,应使用一个模拟试块来演示相控阵检测的有效灵敏度和焊缝体积覆盖。


应通过绘图或计算机软件来模拟演示扫查计划,对于坡口焊缝的几何形状和关注区域,扫查计划应包含检测中所用的适当折射角。演示扫查计划时,需记录规范要求的检测体积覆盖范围。应通过校准来验证性能扫查计划(如波束入射点和波束角度验证)。


在制定扫查计划时,应确定上述的重要变量,并与初始校准一起记录。初始校准应由相控阵检测二级或三级人员进行操作,以确认在整个设置的检测范围内有足够的声波覆盖。


聚焦法则的设置应提供必要的焊缝体积覆盖要求。扇扫描应用作为主要扫描方式,以优化覆盖范围,扫描角度步进配置应不大于1°。电子扫描可用于扇扫描的补充,但不得作为唯一的检测技术。


应配置足够数量的声束入射点位置以完成全覆盖的要求。这些可能是多个自然入射点位置,或者多个电子入射点位置(分组),或者两者的组合。扫描应包含足够的重叠,以保证全覆盖。


在检测8mm及以下厚度的材料时,应使用真实深度聚焦方式,聚焦深度应是声波进入焊缝体积的深度。在检测厚度大于8mm的材料时,只要所有TCG校准用反射体显示的信噪比不小于4:1,就可以进行聚焦。


电子扫描可用于扇扫描的补充。当使用电子扫描时,应在扫查计划中规定设置,每个虚拟孔径之间应至少有50%的重叠。


可以通过分组功能,组合多个扇扫描或组合扇扫描与电子扫描,来实现焊接接头的全覆盖。当组合时,每次扫描之间应确保有最小10%的覆盖重叠。


确定和批准扫查计划后,对上述重要变量的任何更改,需要重新制定扫查计划、重新校准,并在适用的情况下通过模拟验证试块重新演示。


检测焊缝时,超声波通过的母材应使用符合要求的直探头来检测分层反射体。如果母材金属的任何区域显示背面回波反射的完全损失或有一个大于等于原始背面回波反射的指示,应进行评估。


扫查计划应利用规定的阵列配置,在焊缝两侧演示超声对检测区域的全覆盖。热影响区扇扫描波束角度应在40°~60°之间。扇扫描应覆盖全焊缝体积,对于焊缝熔合面,波束应垂直于熔合面±10°。当可行时,在垂直焊缝熔合面±5°范围内进行补充电子扫描。应使用符合要求的相控阵检测探头对焊缝和热影响区进行检测。


当可接近时,所有对接接头焊缝的相控阵检测都应从母材同一表面焊缝轴线两侧进行。角接和T型焊缝应主要从焊缝轴线的一侧进行检测。所有焊缝应使用适用的沿线扫查或其他扫查模式进行检测,以检测纵向和横向的缺欠。


在编码采集相控阵检测中,如果边缘和端角不可接近或受到其他限制,这些区域可以通过探头向边缘的相反方向移动来进行扫查,或者通过使用手动扫查模式进行非编码相控阵检测。使用非编码相控阵检测应在检测报告中注明。


当使用角度声束技术不能从焊缝轴线的两侧检测对接接头坡口焊缝时,应在可能的情况下从其他面进行扫查,以确保焊缝和热影响区的完全覆盖。这些情况应使用修改后的扫查计划加以解决,并在检测报告中注明。


对于接头布置中包含衬垫并保留的,扫查计划应考虑衬垫的影响。


打磨平齐的焊缝应使用平行扫查进行横向缺欠的检测。非平行扫查可用于有余高的焊缝。检测横向缺欠时不需要编码采集。


扫查计划参数应配置在相控阵检测系统上,并以允许后续检测可重复的方式进行存储。

5

检测校准

当更换探头、电池、电源、同轴电缆以及仪器发生故障时,扫查计划中的相控阵检测配置应按如下所述进行验证。


纵波校准包括两部分,即检测范围和灵敏度。探头的检测范围调整时,需使用设置的0°电子扫描(或使用传统的纵波直探头),使其在显示器上产生至少等效两倍板厚的厚度范围。灵敏度应在没有缺欠的位置进行调整,将一次反射回波调至全屏的80%±5%。考虑到表面粗糙度,可以进行轻微的灵敏度调整。


横波校准包括波束角度验证、水平扫描范围设置、时间增益校正(TCG) 、各个灵敏度水平的设置和编码器校准等。


相控阵检测人员应验证扇扫描配置的最小和最大角度,角度偏差应在±2°范围内。或验证电子扫描配置的第一个和最后一个虚拟孔径的角度,偏差应在±2°范围内。


对所有设置的角度,使用IIW试块或其他替代试块,将水平扫描调整为实际材料的声程距离。屏幕范围应设置为在A扫和S扫显示中可见整个被检测的关注区域。


通过使用规定的补充参考试块,在所有设置的角度中建立时间增益校正,在整个被检材料范围内至少有3个点。对所有校准点而言, TCG应平衡校准点的波幅,波幅波动在±5%内。


AWS D1.1标准中有3个灵敏度水平,分别是标准灵敏度水平(SSL)、自动拒收水平(ARL)和忽略水平(DRL)。标准灵敏度水平应使用IIW试块中的Ф1.5mm横孔来建立,波幅为(50±5)%满屏高度。在动态沿线扫查中,考虑数据采集过程中的声能损失,应增加4dB作为主参考灵敏度水平。ARL应定义为SSL+5dB,等于89%满屏高度。DRL定义为SSL-6dB,等于25%满屏高度。灵敏度水平示意如图3所示。灵敏度水平对于手动补充扫查,不需要额外的灵敏度补偿。

相控阵探头是什么探头AWS D1.1标准中焊缝相控阵超声检测要求的解读_https://www.jmylbn.com_新闻资讯_第6张

图3 灵敏度水平示意

编码器应由相控阵检测人员通过日常过程核查来进行验证,校准距离至少为扫查总长度的一半,误差在测量长度的1%以内,编码器分辨率的设置应使数据采集步进为1 mm或更小。

6

检测规程

应在扫描之前建立坐标系标识,以便确定扫查范围和进行定位缺欠。


整个声束经过的母材区域必须使用相控阵检测电子扫描或传统的超声0°纵波探头进行检测。如果存在层状反射体,部分焊缝无法按照扫查计划的要求进行检测时,应使用一个或多个替代规程进行检测,以实现检测体积的全覆盖。这些替代规程包括焊缝表面打磨平齐、从其他表面进行检测、附加的扫描类型(电子扫描)或增加入射点。这些替代规程应在扫查计划中说明,并在检测报告中注明。任何被评估为母材中层状反射体的指示,如干扰检测体积的扫查,则要求修改波束角度,以便实现最大的可检测体积,并在检测记录中注明修改的情况。如果母材金属的任何区域显示背面回波反射的完全损失或存在大于等于原始背面反射高度的指示,则应确定这些干扰正常焊缝扫查的指示的位置及其大小,在超声报告上列出,并使用替代的焊缝扫查规程。


横波波束的扫查应采用沿线扫查方式,沿着每个焊缝的轴向长度进行,自动记录超声波数据。应按照批准的扫查计划进行数据采集。如果在评估期间使用软增益或调色板更改来协助检测,数据采集可在主参考灵敏度水平下进行。如果采集在标准灵敏度水平进行,当评估焊缝数据时,软增益应增加6dB或将彩色调色板调整到端部50%屏幕高度。如果无法使用调色板调整或软增益增加,则数据采集应在主参考灵敏度水平上增加6dB的附加增益。对于手动补充检测,例如横向缺欠检测,扫查应至少超过标准灵敏度水平6dB。除横向指示扫查外,应使用编码器进行数据采集。数据采集时,应使用机械夹具或装置进行编码沿线扫查,限制探头沿步进轴的移动。


对于给定的设置,仪器确定了采集速度,扫查不得超过此速度。如果注意到有数据丢失,则不得有超过记录数据的1%数据丢失,并且不得连续丢失两个数据。相控阵检测人员应确保超声检测数据以未处理的形式记录。完整的、带有接收器带通的、无闸门和滤波的A扫描数据应包括在数据记录中。


对于ASTM A514、A517和A709级HPS 100W(HPS690W)等高强度钢,相控阵检测应在焊接完成后至少间隔48h方可进行。

7

评估

进行数据分析时,应考虑上文中指出的扫查增益。对指示接收/拒收处置的评估应根据SSL水平进行。


指示长度的测量应使用6dB法。对于无法获得真正峰值波幅测量的饱和指示,当适用时,应对接近拒收长度的,或相邻排列,或焊缝交界处的B类和C类指示,在较低增益水平上进行额外扫查,这些指示的长度可以从存储的数据文件中确定。


根据表1,不连续应根据其最大波幅进行分类。如果焊缝中没有平面指示,也没有任何超过表2中根据施加载荷类型所确定的幅度或长度的指示,则该焊缝应是可接收的。

相控阵探头是什么探头AWS D1.1标准中焊缝相控阵超声检测要求的解读_https://www.jmylbn.com_新闻资讯_第7张
相控阵探头是什么探头AWS D1.1标准中焊缝相控阵超声检测要求的解读_https://www.jmylbn.com_新闻资讯_第8张

必要时,应使用手动补充相控阵检测和/或其他无损检测技术来验证在采集数据中发现的可疑指示。


表征为裂纹的指示应被视为不可接收,不论其长度或波幅。


B级和C级指示之间应至少分开2L(L为较长指示的长度)。当两个或两个以上指示分开距离不是至少2L,但指示的组合长度及其分开的距离不大于B级或C级规定的最大允许长度时,该缺欠应被视为一个可接收的指示。对于受拉应力的焊缝,B类和C类指示始端位置距离焊缝端部不得小于2L(L为指示长度)。对于C类指示,不连续的深度应由产生最大信号波幅角度的所在位置决定。


对于每个拒收的不连续,应在焊缝的不连续上直接用一个标记以指示其整个长度。距离表面的深度和指示等级应在附近的母材上注明。


相控阵检测发现的拒收焊缝应按照AWS D1.1中7.25条要求进行返修。返修区域应使用与原检测使用的相同扫查计划和技术进行重新检测,除非扫查计划不能提供返修区域的覆盖范围。在这种情况下,应为返修区域制定新的扫查计划。返修后,重新检测的最小长度应是返修区域的长度加上每一端50mm。

8

数据分析

扫查完毕后,首先要进行覆盖的确认。应评估记录的数据,以确保在所需检测的100%长度上,全面执行了扫查计划。


评估数据的要求如下所述:应使用闸门和可用指针分析扫查计划所规定的整个检测体积,以确定所有指示的来源、位置和性质。另外,手动作图可用于仪器分析的补充,例如,焊缝错边或不一致的几何形状。应研究焊缝根部和焊缝盖帽的几何形状引起的响应,并应在报告表格上注明这一分类的依据。应记录任何指示的正当评估,以支持由此产生的处置。记录的范围应足以供审核人员和随后的检测人员重复检测结果,并应单独作为书面记录。


拒收指示的报告应包括峰值波幅、指示额定值、指示长度、表面以下深度和相对位置,为返修提供足够的信息。指针的放置、测量特征、注释和意见应清楚地支持需要进行的处置。

9

数据管理

应有一套数据管理系统。系统应提供与工作要求和规模相一致的数据管理方案。文件的命名应使用系统性文件命名方案,以控制校准和设置文件、相控阵检测数据文件和生成的数字化数据报表的数据管理。所有在检测中收集的相控阵检测数据应以原始未处理的A扫描格式保存。对相控阵检测数据的任何审核和评估均不得改变或影响原始A扫描数据。

10

文件和报告

检测报告应符合AWS D1.1中8.26条的要求。如果检测仪器的输出报告中包括规范要求的所有必要信息,则可使用仪器的报告功能。报告也可以是书面手工超声的常规格式或由外部计算机生成。如果相控阵检测用于替代射线检测,则书面报告应至少包括编码C扫描所检测整个长度的涵盖,以及所有需报告的指示的A扫描、B扫描、C扫描和S扫描视图。替代射线检测的相控阵检测所有原始数据应与射线胶片所需的保留时间相同。对返修焊缝的相控阵检测结果,应列在原始表格(如有)或附加的报告表格中,并应注明适当的返修号。检测期间使用的扫查计划应随报告表一起。


相控阵探头是什么探头AWS D1.1标准中焊缝相控阵超声检测要求的解读_https://www.jmylbn.com_新闻资讯_第2张

结 语

AWS D1.1对焊缝相控阵检测提出了具体的可执行要求,操作性较强,便于检测的实施,对相控阵检测人员编制规程和现场操作具有指导意义。



作者:金磊1,黄军2,王国村3,张健4,丁兵5

1. 上海冠域检测科技有限公司

2. 汉正检测技术有限公司

3. 烟台中集来福士海洋工程有限公司

4. 中兴海陆工程有限公司

5. 上海船舶工艺研究所

第一作者:金磊,工程师,主要从事无损检测应用研究工作。

来源:《无损检测》2020年8期